产品概况:
AIS-HA-C302高频天线是分体式高频RFID天线,配合AIS-PHR-F301高频分体式读写器使用。
其工作频率为:13.56MHz,阻抗为50欧姆。
支持链接符合ISO15963标准的分体式读写器设备。采用坚固的金属外壳,防护等级达到IP67。
应用领域:
机床刀具管理,3C精密生产线等。
产品特点:
工作频率为13.56MHz,符合ISO15693标准。
可靠设计,结构紧凑,螺母固定安装。
达到I67防护标准,可有效抵抗水渍,油污,粉尘等影响。
工业标准EMC设计,有效抵抗工业现场各种干扰。
采用标准射频接头,有效确保安装可靠性。
技术参数:
规格参数 | 型号 | AIS-HA-S303 |
无线协议 | IS0-15693 | |
工作频率 | 13.56MHz | |
输入功率 | 30dBm | |
读取距离 | 0~5cm(与标签、读写器有关) | |
连接器 | SMA公头(内螺纹内针) | |
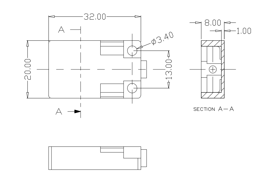
物理参数 | 外形尺寸 | 32×20×8mm(不包括接头部分) |
整机重量 | 30g | |
固定类型 | 螺丝固定 | |
外壳材料 | 工程塑料 | |
壳体颜色 | 黑色磨砂 | |
应用环境 | 工作温度 | -40℃~+70℃ |
存储温度 | -40℃~+75℃ | |
工作湿度 | 5%~95%RH(无凝露) | |
防水防尘等级 | IP67 | |
跌落实验 | GB/T2423.8-1995 | |
抗振动 | GB/T2423.10-2008 | |
认证 | CE、FCC、SRRC |
外形尺寸图:

安装示意图:
电话: 181 6400 2531
邮件:ouyangzhi@aynettek.com
地址:武汉东湖新技术开发区光谷大道3号激光工程设计总部二期研发楼06幢06单元15层5号